浪涌简介
在工业通讯现场,雷电过电压、落雷引发出的诱导雷浪涌,还有电源系统(特别是带很重的感性负载)开关切换引起的浪涌,这些浪涌产生的瞬态过压和过流,从而导致数据总线通讯网络瘫痪甚至使元器件发出错误的信号,会给用户带来很大的损失。现在防雷、防浪涌和防过电压这些都是总线设计必须考虑的因素,今天小编就和大家聊一聊常用总线防浪涌保护的那些事儿。
通常所说的防浪涌,有两个类型:一个是共模,一个差模。雷电或大电流切换时产生的浪涌一般是共模的,差模形式的浪涌往往是由于数据电缆附近有高压线经过,数据线缆和高压线之间因绝缘不良而产生的,虽然差模比共模产生的电压和电流小得多,但它不像共模那样只维持很短的时间,而会在数据通信网络中较长时间内稳定存在。光耦或磁耦器件标称的耐压是共模,也就是前端到后端之间的耐压。如果超过这个耐压,前端后端都一起烧坏;元器件不会标称差模的耐压,差模耐压能力由电路的设计决定,差模电压超过电路承受范围,前端烧坏,后端不会烧坏。
常规浪涌防护方案——分立方案
防浪涌电路通常分为隔离法和规避法。隔离法就是采用光耦合器或磁耦合器,将输入和输出信号隔离分开,只要浪涌产生的电压幅值不超过器件标称的值,光耦或磁耦就不会损坏,即使浪涌电压长时间存在也不会对隔离的设备产生损害。这类隔离法只能抑制共模形式的浪涌,不能抑制差模形式的浪涌。(这里说的浪涌,主要是由于落雷而发生的诱导雷浪涌、电路系统内浪涌等,直击雷不属于讨论范围)。
规避法就是主设备的地连在一起形成单点接地,一旦有浪涌出现就可安全转移浪涌能量,此外有必要增加一些抑制浪涌的器件。能将浪涌所产生的有害电流在到达数据端口前泄放到地回路中去的器件,主要有Tvs管、压敏电阻、气体放电管,它们都有一个钳位电压,一旦超过该钳位电压,器件就会在连接点之间产生一个低阻抗,从而转移有害的电流。
如果将隔离法和规避法相结合,就可以更好地保护系统。规避器件一方面可抑制浪涌保护隔离器件,也可以抑制总线上产生的差模形式浪涌。隔离器件抑制共模形式浪涌,保护主设备。两者相辅相成,能够更好地保护总线设备。
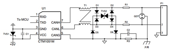
举个例子,CAN的接口防护一般是在收发器外加隔离保护器件,如光耦、磁耦等。为接口设计方便,我们可以使用一体化的收发器模块,和自主搭建电路比,使用方便,简化电路,环境适应性更强。这类加隔离模块防共模浪涌设计比较常见就不多做赘述了。这里重点谈一下增加差模形式浪涌防护的方法。常用规避保护的器件有GDT、TVS以及共模电感。如图1所示,GDT被放置于接口最前端,提供第一级的雷击浪涌防护。当雷击、浪涌产生时,GDT瞬间达到低阻状态,为瞬时大电流提供泄放通道,将CAN_H、CAN_L间电压钳制在二十几伏范围内。后端的TVS提供第二级浪涌防护,具体规格可根据需求选择。
