一种油气井地面放喷管线移动式固定装置

发布日期:2014年03月26日          作者:         编辑:         审核:         点击:[]

项目负责人:朱红钧

电话:15982144183 email:ticky863@126.com

项目简介

1、核心技术及创新性:

油气井放喷测试管线必须承担有效控制、引导井内油气流至出油管线、三相分离器、计量罐和燃烧器并在离井场较远处点火和排液的重要使命,是油气井建井和投产的安全保障。因占地面积和地形的影响,井场地面放喷管线不可避免地存在弯头和起伏段,高压油气流进入放喷管线后会诱导管线快速抬升或摆动,给井场作业带来了严重的安全隐患。目前,现场放喷管线的固定一般采用压板固定和地锚固定。然而,压板固定经常出现固定不牢的现象,如压板未压紧、压板太薄、压板螺栓未上满扣、压板下垫木垫等;地锚固定需要挖地锚坑,并浇注混凝土,既延长了工期又耗费了大量的人力物力,且这种方式造成了土地的破坏,作业结束后,土地被水泥硬化,无法复耕。

因此,设计一种油气井地面放喷管线移动式固定装置,可重复利用,不会造成材料浪费和环境污染,且现场操作简单,省时省力。

2、该成果的产业化前景

每口油气井都有2根以上的放喷管线,每根放喷管线根据长度需要设置2个以上的固定装置。因此,油气井场对该固定装置的需求量巨大。

3、知识产权情况

产生1项实用新型专利。

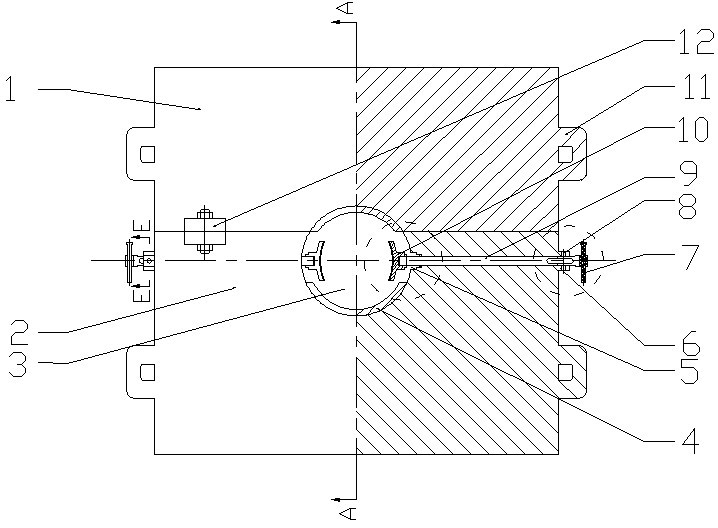
1.上墩、2.下墩、3.管孔、4.墩橡胶垫、5.梯台槽、6.六角台、7.多用杆、8.固定通孔、9.旋调螺杆、10.固定卡、11.提耳、12.连接扣、13.橡胶条、14.侧橡胶垫、15.固定通槽。

上一条:一种取代瓜尔胶的高温压裂液

关闭